Multichannel & Solenoid Drivers
Automotive High- and Low-Side MOSFET Gate Drivers with Diagnostics
A3942-A3944
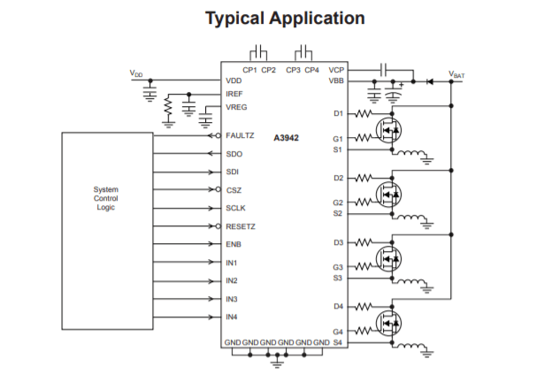
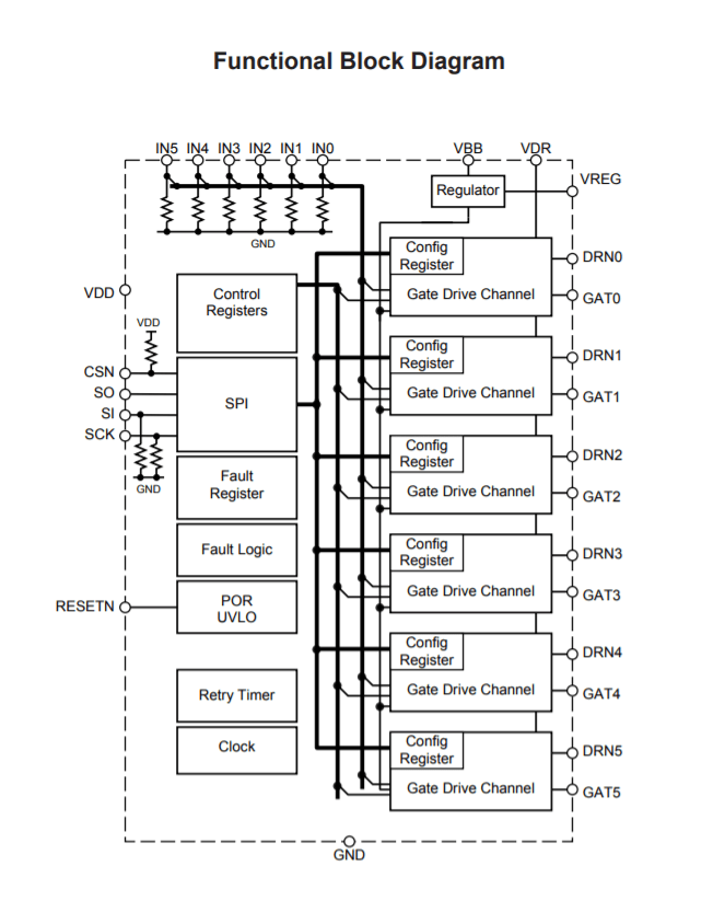
The A3942/44 gate drivers provide robust and reliable control of high-side (A3942) and low-side (A3944) N-channel MOSFETs in automotive applications. Integrated diagnostics and SPI control simplify system design and enhance fault detection.
Product Details
Product Details
Top Features
- 4.5 to 60 V input voltage range
- Charge pump for 100% duty cycle operation (A3942)
- SPI port for control and fault diagnostics
- Device protection features:
- Short-to-ground detection
- Short-to-battery protection
- Open load detection
- VDD undervoltage lockout
- VCP undervoltage lockout
- Thermal monitor