DCDC Regulators

Triple-Output Step-Down Switching Regulator with Independent Control and Power Sequencing

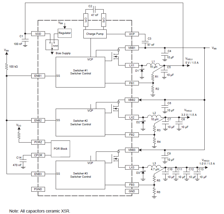
A4491

The A4491 simplifies power supply design with three integrated buck converters, independent enable controls for flexible power sequencing, and a power-on reset with adjustable delay.

Product Details

Top Features

  • Three buck converters in a single package
  • 4.5 to 23 V input voltage range
  • 550 kHz fixed frequency
  • Multiphase switching for smaller components and lower EMI
  • Independent control of each converter for sequencing and shutdown control
  • Power-on-reset flag with adjustable delay
  • Internal compensation to minimize components and simplify design
  • 4 × 4 mm QFN Package, small PCB footprint

Part Number Specifications and Availability

Design Tools