Brushless DC Drivers

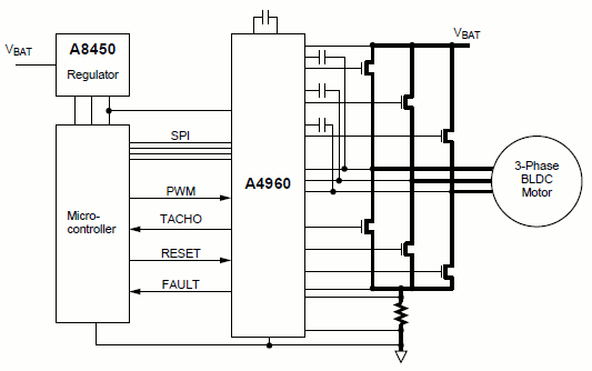
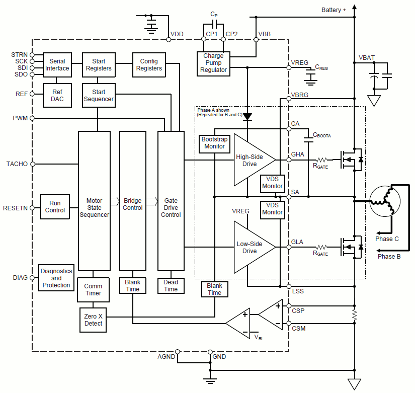
Automotive Sensorless BLDC Controller with Integrated Gate Drive and Diagnostics

A4960

The A4960 offers a robust and efficient solution for automotive BLDC motor control, providing sensorless startup and commutation, integrated gate drive for N-channel MOSFETs, and comprehensive diagnostics for enhanced system reliability. Available in automotive and commercial grades.

Product Details

Top Features

  • 3-phase BLDC sensorless start-up and commutation
  • Gate drive for N-channel MOSFETs
  • Integrated PWM current limit
  • 7 to 50 V supply voltage operating range
  • Compatible with 3.3 V and 5 V logic
  • Cross-conduction protection with adjustable dead time
  • Charge pump for low supply voltage operation
  • Extensive diagnostics output
  • Low current sleep mode

Part Number Specifications and Availability

Design Tools

Technical Documentation