Brush DC Drivers

DMOS Microstepping Driver with Integrated Translator and Selectable Step Modes

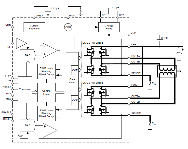
A4984

The A4984 simplifies microstepping motor control with its integrated translator and selectable step modes, offering automatic current decay selection and synchronous rectification for optimized performance.

Product Details

Top Features

  • Low RDS(ON) outputs
  • Automatic current decay mode detection/selection
  • Mixed and Slow current decay modes
  • Synchronous rectification for low power dissipation
  • Internal UVLO
  • Crossover-current protection
  • 3.3 and 5 V compatible logic supply
  • Thin profile QFN and TSSOP packages
  • Thermal shutdown circuitry
  • Short-to-ground protection
  • Shorted load protection
  • Low current Sleep mode, <10 µA
  • No smoke no fire (NSNF) compliance (ET package)

Part Number Specifications and Availability

Design Tools