Brush DC Drivers

Automotive Dual Full-Bridge Driver for Stepper and DC Motors

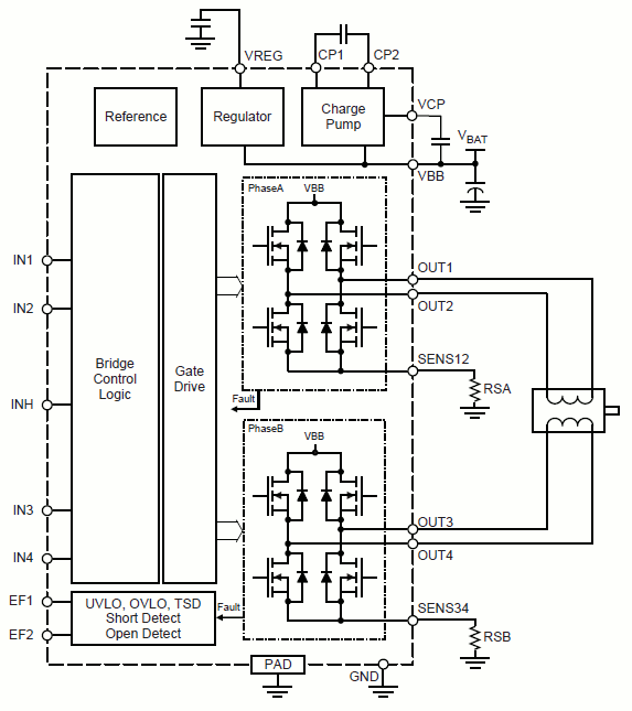
A4990

The A4990 provides versatile motor control for automotive applications, driving stepper or brush DC motors with full current and offering brake capability.

Product Details

Top Features

  • Two full bridge power outputs
  • Typical application up to ±800 mA, 28 V
  • Adjustable peak current limit control
  • Minimum overcurrent shutdown at 1.4 A
  • Continuous operation at high ambient temperature
  • Synchronous rectification for low power dissipation
  • Simple parallel interface control
  • Inverted and non-inverted inputs
  • No crossover current
  • Low current consumption in sleep mode
  • Error flag diagnostics
  • Open load diagnostic during on-state for all outputs
  • Outputs protected against overcurrent
  • Overtemperature protection with hysteresis
  • Overvoltage and undervoltage lockout
  • 3.3 V / 5 V compatible inputs with hysteresis
  • Thermally enhanced package (exposed pad)
  • Fully integrated in a compact TSSOP package for space sensitive applications
Target Application

Part Number Specifications and Availability