Brushless DC Drivers

Three-Phase Sensorless Fan Driver IC for Automotive Applications

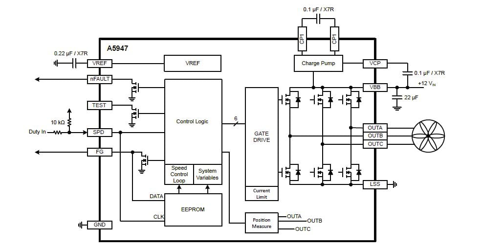
A5947

The A5947 family is a three-phase, sensorless fan driver IC ideal for whisper-quiet operation in automotive applications such as seat cooling fans, HVAC blowers, and other thermal management systems. The device includes closed-loop speed control with sinusoidal drive to minimize vibration and noise, and  integrates EEPROM customization to enable optimized performance and efficiency.

The family includes the AEC-Q100 qualified A5947-B for automotive applications in TSSOP-20 package the A5947G for industrial use cases (in TSSOP-20 and QFN-28 packages).

Product Details

Top Features

  • AEC-Q100 qualified
  • Speed curve configuration via EEPROM
  • I2C serial port
  • Sinusoidal modulation for reduced audible noise and low vibration
  • Sensorless (no Hall sensors required)
  • Low RDS(ON) power MOSFETs
  • 3.3 V / 20 mA linear regulator
  • PWM or analog speed input
  • FG speed output
  • Slew rate control
  • Lock detection Soft start
  • Low power standby mode
  • Overcurrent protection
  • Overvoltage protection

Part Number Specifications and Availability

Design Tools