LED Drivers

High Power LED Drivers with Pre-Emptive Boost and Six Current Sinks

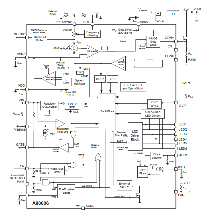
A80606

Serving as a replacement for the A8508, the A80606 provides a high-performance, multi-output LED driving solution with six integrated current sinks, delivering ultra-high dimming ratios and low output ripple using patented Pre-Emptive Boost control. The A80606-1 offers a modified programming range for PEB control, optimized for lower boost switching frequencies.

Product Details

Top Features

  • Patented Control Scheme Provides Industry-Best PWM Dimming Ratio
  • Completely Eliminates “Cap Singing” Noise
  • Low EMI solution to meet strict OEM EMC requirements
  • ASIl-B system-level support for ADAS Cluster user interface
  • Latest device increases output to over 1 Amp

Part Number Specifications and Availability

Design Tools

Technical Documentation