DCDC Regulators

Low Input Voltage, Dual Synchronous Buck Regulator with Synchronization and Independent Enables

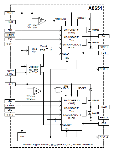
A8651

The A8651 offers efficient and flexible power conversion for low-voltage applications, featuring dual 2A synchronous buck regulators with adjustable output voltage, synchronizable switching frequency, and independent enable/NPOR outputs.

Product Details

Top Features

  • AEC-Q100 Qualified
  • Operating voltage range: 2.5 to 5.5 V
  • UVLO stop threshold: 2.25 V (max)
  • Dual outputs with up to 2 A output current per regulator
  • Adjustable output voltage as low as 0.8 V
  • Internal 80 mΩ high-side switching MOSFET
  • Internal 55 mΩ low-side switching MOSFET
  • Adjustable switching frequency ( fSW ): 0.35 to 2.2 MHz
  • Synchronizes to external clock: 1.2 × to 1.5 × fOSC
  • 180° phase shift between switching regulators
  • Sleep mode supply current less than 5 μA
  • Soft start time externally set via the SS pin
  • Pre-biased startup capable
  • Externally adjustable compensation
  • Stable with ceramic output capacitors
  • Independent enable inputs and NPOR output pins
  • NPOR delay of 7.5 ms (A8651) or 120 μs (A8651-1)
  • Adjustable current limiting (OCP) for each regulator
  • Hiccup mode short-circuit protection (HIC)
  • Overvoltage and overtemperature protection
  • Open-circuit and adjacent pin short-circuit tolerant
  • Short-to-ground tolerant at every pin

Part Number Specifications and Availability

Design Tools