Brushless DC Drivers

50V, Ultra-Low Noise FOC Motor Controller with I2C Control

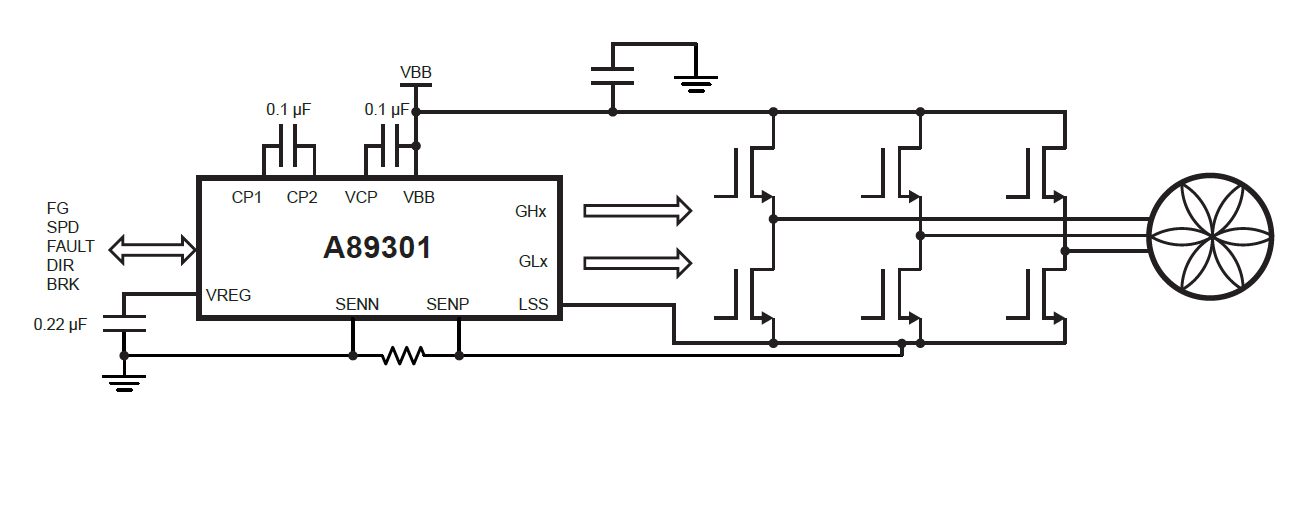
A89301

The A89301 offers high efficiency and ultra-quiet operation for BLDC motors, utilizing field-oriented control (FOC) and Soft-On Soft-Off (SOSO). I2C control simplifies parameter configuration and speed control.

Product Details

Top Features

  • Coding-free sensorless field-oriented control (FOC)
  • I2C interface for speed control and status readback
  • Ultra-quiet low speed operation
  • Proprietary non-reverse fast startup
  • Soft-On Soft-Off (SOSO) for quiet operation

Part Number Specifications and Availability