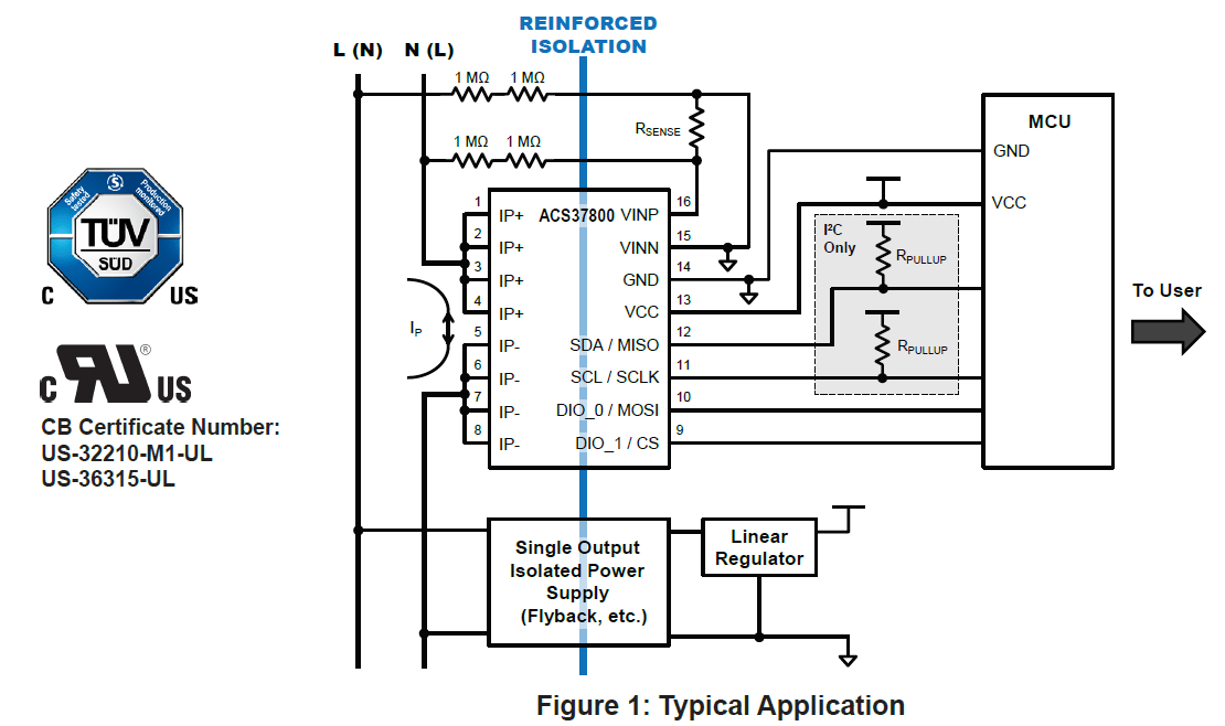
The ACS37800 simplifies power monitoring in AC and DC systems, providing accurate measurements of active, reactive, and apparent power, along with RMS voltage, current, and integrated fault protection.
Product Details
Product Details
Top Features
- User-programmable VRMS under/overvoltage pin
- Dedicated voltage or current zero-crossing pin
- User-programmable overcurrent fault (OCF)
- I2C or SPI communication
- Programmable averaging on two out of the three outputs: voltage, current or power
Target Application
Part Number Specifications and Availability
Design Tools
ECAD FILE
ACS37800
Programmer
ASEK-2X Programmers
Software
Software Portal
Third Party Tool
Pololu - ACS37800 Isolated Power Monitor Carriers
Third Party Tool
Mikroe - PWR Meter 3 Click – 15A/30A/60A featuring ACS37800KMCTR-030B3-I2C
Third Party Tool
Mikroe - PWR Meter 3 Click - 90A featuring ACS37800KMACTR-090B3-I2C
Third Party Tool
SparkFun Power Meter Board featuring ACS37800KMACTR-030B3-I2C
Technical Documentation
Application Note
Package Thermal Resistance for Allegro Current Sensors with Integrated Conductors
Application Note
Glossary of Isolation-Related Terms for Integrated Current Sensors
Application Note
Convenient and Isolated Power Measurements via SPI or I2C using ACS71020 or ACS37800 Power Monitoring ICs
Application Note
I2C Addressing and Fault Monitoring Using The ACS71020 or ACS37800 Power Monitoring IC Digital Input Output Pins
Application Note
Grounding Techniques for the ACS37800, Allegro's Power Monitoring IC: Ensuring Proper Device Functionality and Measurement Accuracy
Brochure
Intelligent Power Distribution Solutions for Modern Servers
Brochure
Comfort Through Sustainability - Unlock the Power of Heat Pump Innovation
Brochure
Brochure: Integrated Power Monitoring with the ACS37800
Brochure
Robust and Efficient UPS Solutions Powered by Allegro
Certificate
Certificate of Compliance 20190906-E316429
Certificate
Certificate CB US 36315 UL MA Package
Certificate