DCDC Regulators

Wide Input Voltage, 2.4 MHz, 3.0 A Asynchronous Buck Regulator with Sleep Mode, External Synchronization, and POK Output

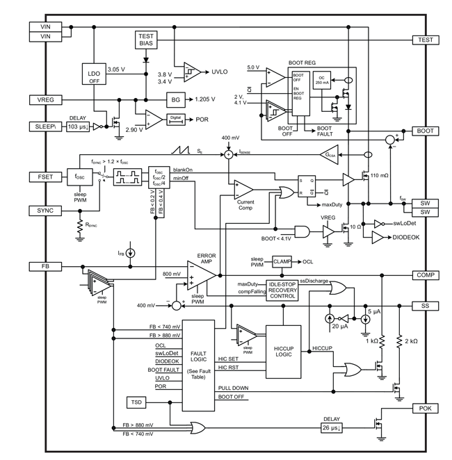
ARG81801

These parts are in production but have been determined to be LAST TIME BUY. The ARG81801 is a high-current regulator for car audio/infotainment, offering ±1.0% output accuracy and operating down to 3.6V input. It features PWM synchronization, ultra-low current shutdown, POK output, enhanced idle/stop-start recovery, and extensive protection including current limit, short circuit, UVLO, OVP, and thermal shutdown.

Product Details

Top Features

  • Automotive AEC-Q100 qualified
  • Withstands surge voltages up to 40 V
  • Operates as low as 3.6 VIN (max) with VIN decreasing
  • Delivers up to 3.0 A of output current with integrated 110 mΩ high voltage MOSFET
  • SLEEP input pin commands ultralow current shutdown mode
  • Adjustable output voltage with ±1.0% accuracy from 0°C to 85°C, ±1.5% from –40°C to 150°C
  • Programmable switching frequency: 250 kHz to 2.4 MHz Applying a clock input to the SYNC pin will increase the PWM frequency
  • Power OK (POK) open-drain output
  • Maximized duty cycle for low dropout
  • Enhanced idle-stop recovery during VIN transients
  • Pre-bias startup capable, VOUT will not cause a reset
  • External compensation for maximum flexibility
  • Excellent set of protection features to satisfy the most demanding applications
  • Overvoltage, pulse-by-pulse current limit, hiccup mode short circuit, and thermal protection

Part Number Specifications and Availability

Design Tools