Magnetic Speed Sensors

High-Accuracy Hall-Effect Transmission Speed Sensor IC for Ferrous Targets

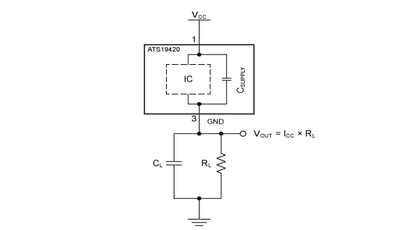
ATS19420

The ATS19420 provides precise speed sensing for ferrous targets, with integrated back-bias magnet, ASIL B compliance, and differential sensing for robust performance in automotive applications.

Product Details

Top Features

  • Differential Hall-effect sensor measures ferrous targets with inherent stray field immunity
  • SolidSpeed Digital Architecture™ supports advanced algorithms, maintaining pitch and duty cycle accuracy during dynamic air gap disturbances
  • Integrated solution includes back-biased magnet and capacitor in a single overmolded package
  • ISO 26262:2011 ASIL B with integrated diagnostics and certified safety design process (pending assessment)
  • Two-wire current source output protocol supporting speed and ASIL error reporting
  • EEPROM enables factory traceability throughout product life cycle
Target Application

Part Number Specifications and Availability

Design Tools

Technical Documentation