Brush DC Drivers

DMOS Microstepping Driver with Adaptive Current Control for Quiet Operation

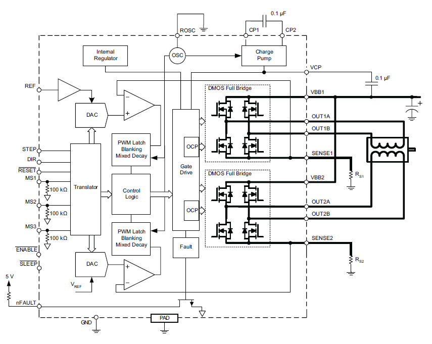
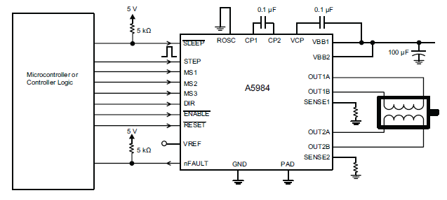
A5984

The A5984 offers quiet and precise control of stepper motors, featuring adaptive current control to minimize noise and vibration, along with an integrated translator and selectable step modes for simplified design.

Product Details

Top Features

  • Drop-in replacement for A4984
  • Proprietary QuietStep option
  • Low RDS(on) outputs
  • Single supply
  • Microstepping up to 32 microsteps per full step
  • Full torque step modes
  • Short-to-ground protection
  • Shorted load protection
  • Short-to-battery protection
  • Fault output
  • Low current Sleep mode, < 10 μA
  • No smoke no fire (NSNF) compliance (ET package)
  • Thin profile QFN and TSSOP packages
  • Thermal shutdown circuitry
  • Synchronous rectification for low power dissipation
  • Internal UVLO
  • Crossover-current protection

Typical Applications

  • Video Security Cameras
  • Printers
  • Scanners
  • Robotics
  • ATM
  • POS

Part Number Specifications and Availability